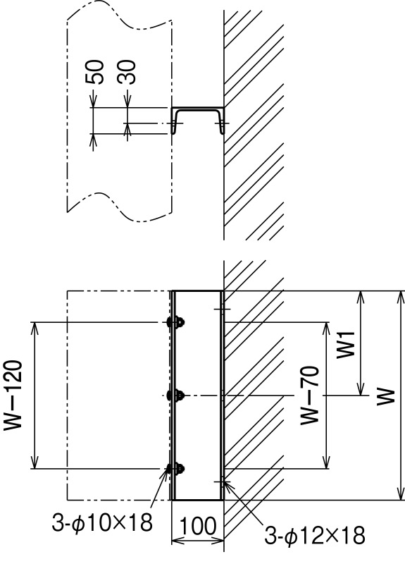
C形支持架台(補強フレーム式用)

寸法図
仕様表項目絞り込み

CAD 図面 図面 仕様 ご注文品番 W W1 販売単位 価格
Z Z-SPT50C 500 250
Z Z-SPT60C 600 300
Z Z-SPT80C 800 400
Z Z-SPT100C 1000 500

※複数製品で同じ資料の場合があります。商品によってはzipファイルでダウンロードされる場合があります。

その他資料ダウンロード

※ご利用の環境によっては、表示出来ないファイル形式の場合がございますのでご了承ください。

ページトップへ戻る