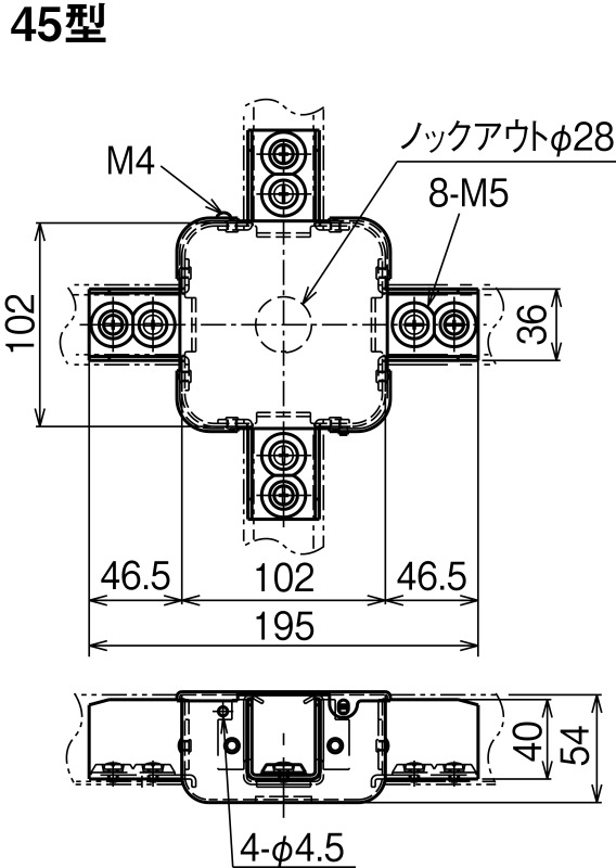
ジャンクションボックス(四方出)

寸法図
仕様表項目絞り込み

CAD 図面 図面 仕様 ご注文品番 販売単位 価格
図面 S S-DB2XN 1個 11,300円
S S-DB2X

※複数製品で同じ資料の場合があります。商品によってはzipファイルでダウンロードされる場合があります。

その他資料ダウンロード

※ご利用の環境によっては、表示出来ないファイル形式の場合がございますのでご了承ください。

資料を一括ダウンロード

ページトップへ戻る